มอเตอร์ไฟฟ้า Mitsubishi SF‑JV Series แบบติดตั้งแนวตั้ง (Vertical Type) เป็นรุ่นเดียวกับซีรีส์ SF‑J แต่ถูกออกแบบให้ มีหน้าแปลนและไม่มีขาตั้งด้านล่าง ใช้ระบบไฟฟ้า 3 เฟส 380V ผลิตตามมาตรฐานคุณภาพ JIS (Japanese Industrial Standard) และ IEC (International Electrotechnical Commission) จากประเทศญี่ปุ่น

MITSUBISHI SF-JV Series มอเตอร์ไฟฟ้า – 4P

มอเตอร์ไฟฟ้า Mitsubishi SF‑JV Series Vertical Type เป็นมอเตอร์ซีรีส์เดียวกับรุ่น SF‑J ที่มีประสิทธิภาพสูง แต่มีความแตกต่างที่การออกแบบติดตั้งแนวตั้ง หน้าแปลน (Flange Mounted) ไม่มีขาตั้ง (Footless Design) เหมาะสำหรับงานที่ต้องการประหยัดพื้นที่หรือการติดตั้งเฉพาะทาง รองรับระบบไฟฟ้า 3 เฟส 380V ได้มาตรฐานคุณภาพระดับสากล ทั้ง JIS และ IEC มั่นใจในความทนทานและประสิทธิภาพการทำงานสำหรับงานอุตสาหกรรม

 

คุณสมบัติ

  • พิกัด 4‑Pole (1,450 rpm) เหมาะกับงานทั่วไปในอุตสาหกรรม
  • ติดตั้งแบบแนวตั้ง (Vertical Flange) ประหยัดพื้นที่
  • มาตรฐาน TEFC IP55, Class F insulation
  • รองรับทั้งแรงดัน LT และ HT (รุ่น ≥ 15 HP)
  • เหมาะกับใช้งานหนัก เช่น ปั๊มขนาดใหญ่, เกียร์ทดรอบ, เครื่องจักรในโรงงาน ได้อย่างมั่นคงและต่อเนื่อง

 

SPECIFICATIONS

Model Fiange Frame Output HP Bearing No.
(kW)
No. No. 2-Pole 4-Pole 6-Pole Drive End Opposite
SF-JV FF300 160M 15 (11), 20 (15) 15 (11) 10 (7.5) 6309ZZ 6308ZZ
FF300 160L 25 (18.5) 20 (15) 15 (11) 6309ZZ 6308ZZ
FF350 180M 30 (22) 25 (18.5), 30 (22) 20 (15) 6311ZZ 6310ZZ
FF350 180L 40 (30) 40 (30) 25 (18.5), 30 (22) 6312ZZ 6310ZZ

 

Model Fiange Frame Approximate Weight Approximate Packing Weight
Packing
(kg) Dimensions (kg)
No. No. 2-Pole 4-Pole 6-Pole (LxWxH) 2-Pole 4-Pole 6-Pole
SF-JV FF300 160M 110, 120 110 110 778x602x557 134, 144 134 134
FF300 160L 150 140 140 822x602x557 174 164 164
FF350 180M 195 190, 200 200 854x652x610 222 217, 227 227
FF350 180L 225 235 225, 240 892x652x610 252 262 252, 267

 

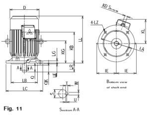
Model Fiange Frame Fig. Motor
No. No. D IE LA LB LC LE LG LL LZ
SF-JV FF300 160M 10 324 213 300 250 j6 350 5 20 500 18.5
FF300 160L 324 213 300 250 j6 350 5 20 544 18.5
FF350 180M 376 247 350 300 j6 400 5 20 576 18.5
FF350 180L 376 247 350 300 j6 400 5 20 614 18.5

 

Model Frame Frame Fig. Terminal Box Shaft End
No. No. KD KG KL LR Q QK S T U W
SF-JV FF300 160M 10 PF1/4 147 259 110 110 90 42 k6 8 5 12
FF300 160L PF1/4 169 259 110 110 90 42 k6 8 5 13
FF350 180M PF1/2 176 284 110 110 90 48 k6 9 5.5 14
FF350 180L PF1/2 195 284 110 110 90 48 m6 10 6 16

 

DIMENSIONS

MITSUBISHI SF-JV Series มอเตอร์ไฟฟ้า

MITSUBISHI SF-JV Series มอเตอร์ไฟฟ้า

MITSUBISHI SF-JV Series มอเตอร์ไฟฟ้า

ขอใบเสนอราคา

ขอใบเสนอราคา

Related products